在使用MOS管設計開關電源或者馬達驅動電路的時候,大部分人都會考慮MOS的導通電阻,最大電壓等,最大電流等,也有很多人僅僅考慮這些因素。這樣的電路也許是可以工作的,但并不是優秀的,作為正式的產品設計也是不允許的。
1、MOS管種類和結構
MOSFET管是FET的一種(另一種是JFET),可以被制造成增強型或耗盡型,P溝道或N溝道共4種類型,但實際應用的只有增強型的N溝道MOS管和增強型的P溝道MOS管,所以通常提到NMOS,或者PMOS指的就是這兩種。
對于這兩種增強型MOS管,比較常用的是NMOS。原因是導通電阻小,且容易制造。所以開關電源和馬達驅動的應用中,一般都用NMOS。下面的介紹中,也多以NMOS為主。
MOS管的三個管腳之間有寄生電容存在,這不是我們需要的,而是由于制造工藝限制產生的。寄生電容的存在使得在設計或選擇驅動電路的時候要麻煩一些,但沒有辦法避免,后邊再詳細介紹。
在MOS管原理圖上可以看到,漏極和源極之間有一個寄生二極管。這個叫體二極管,在驅動感性負載(如馬達),這個二極管很重要。順便說一句,體二極管只在單個的MOS管中存在,在集成電路芯片內部通常是沒有的。
2、MOS管開關電路驅動
跟雙極性晶體管相比,一般認為使MOS管導通不需要電流,只要GS電壓高于一定的值,就可以了。這個很容易做到,但是,我們還需要速度。
在MOS管的結構中可以看到,在GS,GD之間存在寄生電容,而MOS管的驅動,實際上就是對電容的充放電。對電容的充電需要一個電流,因為對電容充電瞬間可以把電容看成短路,所以瞬間電流會比較大。選擇/設計MOS管驅動時第一要注意的是可提供瞬間短路電流的大小。
第二注意的是,普遍用于高端驅動的NMOS,導通時需要是柵極電壓大于源極電壓。而高端驅動的MOS管導通時源極電壓與漏極電壓(VCC)相同,所以這時 柵極電壓要比VCC大4V或10V。如果在同一個系統里,要得到比VCC大的電壓,就要專門的升壓電路了。很多馬達驅動器都集成了電荷泵,要注意的是應該 選擇合適的外接電容,以得到足夠的短路電流去驅動MOS管。
上邊說的4V或10V是常用的MOS管的導通電壓,設計時當然需要有一定的余量。而且電壓越高,導通速度越快,導通電阻也越小。現在也有導通電壓更小的MOS管用在不同的領域里,但在12V汽車電子系統里,一般4V導通就夠用了。
3、MOS管導通特性
導通的意思是作為開關,相當于開關閉合。
NMOS的特性,Vgs大于一定的值就會導通,適合用于源極接地時的情況(低端驅動),只要柵極電壓達到4V或10V就可以了。
PMOS的特性,Vgs小于一定的值就會導通,適合用于源極接VCC時的情況(高端驅動)。但是,雖然PMOS可以很方便地用作高端驅動,但由于導通電阻大,價格貴,替換種類少等原因,在高端驅動中,通常還是使用NMOS。
4、MOS開關管損失
不管是NMOS還是PMOS,導通后都有導通電阻存在,這樣電流就會在這個電阻上消耗能量,這部分消耗的能量叫做導通損耗。選擇導通電阻小的MOS管會減小導通損耗。現在的小功率MOS管導通電阻一般在幾十毫歐左右,幾毫歐的也有。
MOS在導通和截止的時候,一定不是在瞬間完成的。MOS兩端的電壓有一個下降的過程,流過的電流有一個上升的過程,在這段時間內,MOS管的損失是電壓和電流的乘積,叫做開關損失。通常開關損失比導通損失大得多,而且開關頻率越快,損失也越大。
導通瞬間電壓和電流的乘積很大,造成的損失也就很大。縮短開關時間,可以減小每次導通時的損失;降低開關頻率,可以減小單位時間內的開關次數。這兩種辦法都可以減小開關損失。
5、MOS管應用電路
MOS管最顯著的特性是開關特性好,所以被廣泛應用在需要電子開關的電路中,常見的如開關電源和馬達驅動,也有照明調光。
MOS管開關驅動電路圖
1、低壓應用
當使用5V電源,這時候如果使用傳統的圖騰柱結構,由于三極管的be有0.7V左右的壓降,導致實際最終加在gate上的電壓只有4.3V。這時候,我們選用標稱gate電壓4.5V的MOS管就存在一定的風險。
同樣的問題也發生在使用3V或者其他低壓電源的場合。
2、寬電壓應用
輸入電壓并不是一個固定值,它會隨著時間或者其他因素而變動。這個變動導致PWM電路提供給MOS管的驅動電壓是不穩定的。
為了讓MOS管在高gate電壓下安全,很多MOS管內置了穩壓管強行限制gate電壓的幅值。在這種情況下,當提供的驅動電壓超過穩壓管的電壓,就會引起較大的靜態功耗。
同時,如果簡單的用電阻分壓的原理降低gate電壓,就會出現輸入電壓比較高的時候,MOS管工作良好,而輸入電壓降低的時候gate電壓不足,引起導通不夠徹底,從而增加功耗。
3、雙電壓應用
在一些控制電路中,邏輯部分使用典型的5V或者3.3V數字電壓,而功率部分使用12V甚至更高的電壓。兩個電壓采用共地方式連接。
這就提出一個要求,需要使用一個電路,讓低壓側能夠有效的控制高壓側的MOS管,同時高壓側的MOS管也同樣會面對1和2中提到的問題。
在這三種情況下,圖騰柱結構無法滿足輸出要求,而很多現成的MOS驅動IC,似乎也沒有包含gate電壓限制的結構。
在使用MOSFET設計開關電源時,大部分人都會考慮MOSFET的導通電阻、最大電壓、最大電流。但很多時候也僅僅考慮了這些因素,這樣的電路也許可以正常工作,但并不是一個好的設計方案。更細致的,MOSFET還應考慮本身寄生的參數。對一個確定的MOSFET,其驅動電路,驅動腳輸出的峰值電流,上升速率等,都會影響MOSFET的開關性能。
當電源IC與MOS管選定之后, 選擇合適的驅動電路來連接電源IC與MOS管就顯得尤其重要了。
MOSFET驅動電路要求
(1)開關管開通瞬時,驅動電路應能提供足夠大的充電電流使MOSFET柵源極間電壓迅速上升到所需值,保證開關管能快速開通且不存在上升沿的高頻振蕩。
(2)開關導通期間驅動電路能保證MOSFET柵源極間電壓保持穩定且可靠導通。
(3)關斷瞬間驅動電路能提供一個盡可能低阻抗的通路供MOSFET柵源極間電容電壓的快速泄放,保證開關管能快速關斷。
(4)驅動電路結構簡單可靠、損耗小。
(5)根據情況施加隔離。
常用的MOS管開關驅動電路圖
1:電源IC直接驅動MOSFET


圖 1 IC直接驅動MOSFET
電源IC直接驅動是我們最常用的驅動方式,同時也是最簡單的驅動方式,使用這種驅動方式,應該注意幾個參數以及這些參數的影響。第一,查看一下電源IC手冊,其最大驅動峰值電流,因為不同芯片,驅動能力很多時候是不一樣的。第二,了解一下MOSFET的寄生電容,如圖 1中C1、C2的值。如果C1、C2的值比較大,MOS管導通的需要的能量就比較大,如果電源IC沒有比較大的驅動峰值電流,那么管子導通的速度就比較慢。如果驅動能力不足,上升沿可能出現高頻振蕩,即使把圖 1中Rg減小,也不能解決問題! IC驅動能力、MOS寄生電容大小、MOS管開關速度等因素,都影響驅動電阻阻值的選擇,所以Rg并不能無限減小。
2:電源IC驅動能力不足時
如果選擇MOS管寄生電容比較大,電源IC內部的驅動能力又不足時,需要在驅動電路上增強驅動能力,常使用圖騰柱電路增加電源IC驅動能力,其電路如圖 2虛線框所示。


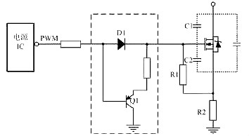
圖 2 圖騰柱驅動MOS
這種MOS管開關驅動電路圖作用在于,提升電流提供能力,迅速完成對于柵極輸入電容電荷的充電過程。這種拓撲增加了導通所需要的時間,但是減少了關斷時間,開關管能快速開通且避免上升沿的高頻振蕩。
3:驅動電路加速MOS管關斷時間


圖 3 加速MOS關斷
關斷瞬間驅動電路能提供一個盡可能低阻抗的通路供MOSFET柵源極間電容電壓快速泄放,保證開關管能快速關斷。為使柵源極間電容電壓的快速泄放,常在驅動電阻上并聯一個電阻和一個二極管,如圖 3所示,其中D1常用的是快恢復二極管。這使關斷時間減小,同時減小關斷時的損耗。Rg2是防止關斷的時電流過大,把電源IC給燒掉。


圖 4 改進型加速MOS關斷
在第二點介紹的圖騰柱電路也有加快關斷作用。當電源IC的驅動能力足夠時,對圖 2中電路改進可以加速MOS管關斷時間,得到如圖 4所示電路。用三極管來泄放柵源極間電容電壓是比較常見的。如果Q1的發射極沒有電阻,當PNP三極管導通時,柵源極間電容短接,達到最短時間內把電荷放完,最大限度減小關斷時的交叉損耗。與圖 3拓撲相比較,還有一個好處,就是柵源極間電容上的電荷泄放時電流不經過電源IC,提高了可靠性。
4:驅動電路加速MOS管關斷時間


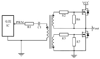
圖 5 隔離驅動
為了滿足如圖 5所示高端MOS管的驅動,經常會采用變壓器驅動,有時為了滿足安全隔離也使用變壓器驅動。其中R1目的是抑制PCB板上寄生的電感與C1形成LC振蕩,C1的目的是隔開直流,通過交流,同時也能防止磁芯飽和。
5:當源極輸出為高電壓時的驅動
當源極輸出為高電壓的情況時,我們需要采用偏置電路達到電路工作的目的,既我們以源極為參考點,搭建偏置電路,驅動電壓在兩個電壓之間波動,驅動電壓偏差由低電壓提供,如下圖6所示。


圖6 源極輸出為高電壓時的驅動電路
除了以上驅動電路之外,還有很多其它形式的驅動電路。對于各種各樣的驅動電路并沒有一種驅動電路是最好的,只有結合具體應用,選擇最合適的驅動。
烜芯微專業制造二三極管,MOS管,20年,工廠直銷省20%,1500家電路電器生產企業選用,專業的工程師幫您穩定好每一批產品,如果您有遇到什么需要幫助解決的,可以點擊右邊的工程師,或者點擊銷售經理給您精準的報價以及產品介紹
烜芯微專業制造二三極管,MOS管,20年,工廠直銷省20%,1500家電路電器生產企業選用,專業的工程師幫您穩定好每一批產品,如果您有遇到什么需要幫助解決的,可以點擊右邊的工程師,或者點擊銷售經理給您精準的報價以及產品介紹

