近年來,LED燈具(含LED和驅動電源)作為一種節能環保型照明燈具正在迅速推廣,被廣泛用于閱讀燈、手電筒、汽車方向燈、小型聚光燈,標牌、建筑輪廓及穹頂照明、便攜式閃光燈、醫療照明及裝飾照明燈等領域。如何降低LED驅動電源的總諧波失真,提高其功率因數,具有重要的現實意義。
1 功率因數與諧波失真
對無失真的交流電而言,其輸入電壓與輸入電流的表達式分別為


式中的u、i均代表瞬時值,U、I為有效值,ψ表示相角。交流輸入的視在功率S=UI,而有功功率P=UIcosψ。僅當cosψ達到1時,P=UI=S。
功率因數的英文縮寫為PF(Power Factor),其國標符號為λ。功率因數定義為有功功率與視在功率的比值:


交流供電設備的功率因數是在電流波形無失真的情況下定義的。造成功率因數降低的原因有兩個:一是交流輸入電流波形的相位漂移,二是交流輸入電流波形存在失真。相位漂移通常是由電源的負載性質(感性或容性)而引起的,在這種情況下對功率因數的分析相對簡單,一般可用公式cosψ=P/(UI)來計算。但是當交流輸入電流波形存在失真時,式(3)不再適用。
目前,采用AC/DC變換器的開關電源均通過整流電路與電網相連接。其輸入整流濾波器一般由橋式整流器和濾波電容器構成,二者均屬于非線性元器件。由于大容量濾波電容器的存在,使得整流二極管的導通角變得很窄,僅在交流輸入電壓的峰值附近才能導通,致使交流輸入電流產生嚴重失真,變成為尖峰脈沖。這種電流波形中包含了大量的諧波分量,不僅對電網造成污染,還導致濾波后輸出的有功功率顯著降低,使功率因數大幅度降低。普通AC/DC變換器的功率因數較低,只能達到0.6左右。因此,提高開關電源的功率因數不僅能降低線路損耗、還能減少電網的諧波污染,提高電網的供電質量。
總諧波失真是指用信號源輸入時,輸出信號(諧波及其倍頻成分)比輸入信號多出的諧波成分,一般用百分數表示。功率因數(λ)與總諧波失真(THD)存在下述關系:


當交流輸入電流與電壓保持同相位,且cosψ=1時,式(4)可簡化為


利用功率因數校正器PFC(Power Factor Corrector),可使交流輸入電流與交流輸入電壓保持同相位并濾除電流諧波,將設備的功率因數提高到接近于1的某一預定值。功率因數校正分無源功率因數校正(PPFC)、有源功率因數校正(APFC)兩種類型。無源功率因數校正的特點是電路簡單,成本低廉。
2 基于無源填谷電路的9W可調光LED高壓驅動電源
如上所述,開關電源的輸入整流濾波電路所采用的整流二極管和濾波電容均屬于非線性元器件,在交流輸入正弦波電壓為u時,交流輸入電流i的波形會發生嚴重失真,變成了尖峰脈沖,如圖1所示。其特點是整流二極管的導通角顯著變小,盡管電流有效值大,但電流平均值明顯變小。例如,普通硅整流橋的響應時間大約為3ms,而50Hz交流電的半周期只有10ms,僅此一項即可使橋臂上整流二極管的導通時間減小到7ms,所對應的導通角就從理想情況下的180°減至126°。


為此,可在AC/DC變換器的輸入級增加功率因數校正電路。 “填谷電路”(Valley FillCircuit)就屬于一種新型無源功率因數校正電路,其特點是利用整流橋后面的填谷電路來大幅度增加整流管的導通角,通過填平谷點,使輸入電流從尖峰脈沖變為接近于正弦波的波形,將功率因數提高到0.9左右。與傳統的電感式無源功率因數校正電路相比,其優點是電路簡單,功率因數補償效果顯著,并且在輸入電路中不需要使用體積笨重的大電感器。
由LinkSwitch-TN系列產品LNK306P構成的基于無源填谷電路的9W恒流式LED高壓驅動電源如圖2所示。該電路主要有以下特點:
(1)電路簡單,成本低廉。將無源填谷整流濾波電路與LNK306P相匹配,實現功率因數校正。當交流輸入電壓范圍為108~132V時,可將功率因數提高到0.92以上,最高可達0.965(所對應的交流輸入電壓為90V)。滿載條件下的電源效率超過85%。
(2)在交流輸入端使用了復式EMI濾波器(C1、L1、L2和C2),R1、R2為泄放電阻。
(3)利用晶體管(VT,2N3906)電路實現欠電壓保護。
(4)在整流橋與填谷電路之間增加了隔離二極管VD5。


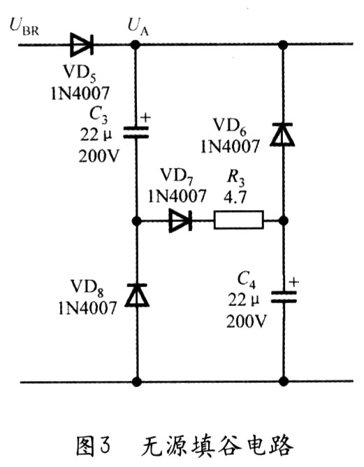
全部由無源元器件構成的無源填谷電路如圖3所示。總共僅需使用3只二極管(VD6~VD8)、兩只電解電容器(C3、C4)和一只電阻器(R3)。 VD6~VD8采用1N4007型硅整流管。C3與C4的容量必須相等,均采用22μF/200V的電解電容器。R3選用4.7Ω、2W的電阻器,開機時可限制C3、C4上的沖擊電流。填谷電路的特點是C3和C4以串聯方式充電,而以并聯方式進行放電。VD5為隔離二極管,可將整流橋與填谷電路隔離開。設交流輸入電壓的有效值為u,峰值電壓為UP,整流橋輸出的脈動直流電壓為UBR,VD5右端電壓為UA(此即C3和C4上的總電壓)。


階段一:在交流電正半周的上升階段,由于UBR>UA時,VD2、VD3、VD5和VD7均導通,UBR就沿著C3→VD7→R3→C4的串聯電路給C3和C4充電,同時向負載提供電流。其充電時間常數很小,充電速度很快。
階段二:當UA達到UP時,C3、C4上的總電壓UA=UP;因C3、C4的容量相等,故二者的壓降均為UP/2。此時VD7導通,而VD6和VD8被反向偏置而截止。
階段三:當UA從UP開始下降時,VD7截止,立即停止對C3和C4充電。
階段四:當UA降至UP/2時,VD5、VD7均截止,VD6、VD8被正向偏置而變成導通狀態,C3、C4上的電荷分別通過VD6、VD8構成的并聯電路進行放電,維持負載上的電流不變。
不難看出,從階段一一直到階段三,都是由電網供電,除了向負載提供電流,還在階段一至階段二給C3和C4充電;僅在階段四由C3、C4上儲存的電荷給負載供電。
進入負半周后,在VD5導通之前,C3、C4仍可對負載進行并聯放電,使負載電流基本保持恒定。對于VD1、VD4和VD5導通后的情況,讀者可參照上文自行分析。
綜上所述,利用圖3所示無源填谷電路,能大幅度增加整流管的導通角,使之在正半周時的導通角擴展到30°~150°(30°恰好對應于UA= UPsin30°=UP/2,150°對應于UA=UPsin150°=UP/2)。同理,負半周時的導通角擴展為210°~330°。這樣,波形就從窄脈沖變為比較接近于正弦波。這相當于把尖峰脈沖電流波形中的谷點區域“填平”了很大一部分,故稱之為填谷電路。實測該LED驅動電源的功率因數λ≥0. 92,完全符合能源之星國際節能標準,并且達到EN55015B國際標準對EMI的限定指標。交流輸入電壓u、交流輸入電流i及UA點的時序波形對照如圖 4所示。




當MOSFET導通時,VD9處于反向偏置而截止,電流途經輸出濾波電容C4、負載及儲能電感L2,在向負載提供恒定電流的同時,還有一部分電能儲存在 L2上。當MOSFET關斷時,L2產生的反向電動勢使VD9導通。L2上的電能就通過VD9向負載繼續供電,并對C8充電。LNK306P采用開/關控制法。當反饋到FB端的電流超過49μA時,禁止MOSFET在該開關周期內工作;進入下一開關周期后,再次對FB端的電流采樣,若電流小于49μA,則允許MOSFET工作。對輸出電壓的調節就是通過禁止(跳過)或使能開關周期來完成的。
4 結束語
利用填谷電路來增加整流管的導通角,使輸入電流波形從尖峰脈沖變為接近于正弦波,能大幅度地提高功率因數,顯著降低總諧波失真。該設計方案對于設計節能環保型LED燈具的驅動電源具有實用價值。
烜芯微專業制造二極管,三極管,MOS管,橋堆等20年,工廠直銷省20%,4000家電路電器生產企業選用,專業的工程師幫您穩定好每一批產品,如果您有遇到什么需要幫助解決的,可以點擊右邊的工程師,或者點擊銷售經理給您精準的報價以及產品介紹
烜芯微專業制造二極管,三極管,MOS管,橋堆等20年,工廠直銷省20%,4000家電路電器生產企業選用,專業的工程師幫您穩定好每一批產品,如果您有遇到什么需要幫助解決的,可以點擊右邊的工程師,或者點擊銷售經理給您精準的報價以及產品介紹

