耦合電路功能和電路種類
多級放大器中,每一級放大器之間是相對獨立的,要將一級級放大器之間連接起來,級間耦合電路不可缺少。
1.耦合電路功能
對耦合電路的要求是,對信號的損耗愈小愈好。有時,耦合電路不僅起級間的信號耦合作用,還要對信號進行一些處理,主要有以下幾種情況。
(1)通過耦合電路將兩級放大器之間的直流電路隔離,這是最常用的功能之一。
(2)通過耦合電路獲得兩個電壓大小相等、相位相反的信號。
(3)通過耦合電路對信號的電壓進行提升或衰減。
(4)通過耦合電路對前級和后級放大器之間進行阻抗的匹配。
2.耦合電路種類
多級放大器中的耦合電路主要有下列幾種。
(1)阻容耦合電路中采用電容器進行交流信號的耦合。這是最常用的耦合電路。電容器具有隔直通交的特性,在讓交流信號耦合到下一級放大器的同時,將前一級的直流電流隔離。這種電路廣泛用于多級交流放大器中。
(2)直接耦合電路中沒有耦合元器件。直接將前級放大器的輸出端與后級放大器的輸入端相連,這也是一種常見的耦合電路。直接耦合電路可以用于多級交流放大器中,也可用于多級直流放大器中,在多級直流放大器中必須采用這種耦合電路。
(3)變壓器耦合電路中采用變壓器作為耦合元件。變壓器也具有隔直通交特性,所以這種耦合電路與電容器耦合電路相似,同時由于耦合變壓器具有阻抗變換等特性,所以變壓器耦合電路變化形式很豐富。變壓器耦合電路主要用于一些中頻放大器、調諧放大器和音頻功率放大器的輸出級中。
阻容耦合電路工作原理分析與理解
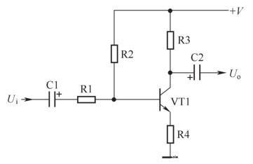
前面在介紹多級放大器時已多次講述了耦合電容,當兩級放大器之間采用耦合電容時,兩級放大器之間采用阻容耦合電路。阻容耦合電路由電阻和電容構成,但是在電路中只能直接看出耦合電容,看不到電阻??梢杂萌鐖D2-6所示阻容耦合電路的等效電路來說明這種耦合電路的工作原理。


圖2-6阻容耦合電路等效電路
1.等效電路分析
關于阻容耦合電路等效電路的工作原理主要說明下列幾點。
(1)電路中的C1是耦合電容,ri是后一級放大器的輸入阻抗。阻容耦合電路中所說的電阻是下一級放大器的輸入阻抗ri,電容是C1。
(2)從圖中可以看出這是一個電容、電阻構成的典型分壓電路,加到這一分壓電路中的輸入信號Ui是前一級放大器的輸出信號。從這一分壓電路輸出的信號是Uo,這也就是加到后一級三極管基極上的輸入信號,這一信號愈大,說明耦合電路對信號的損耗愈小。
(3)根據分壓電路特性可知,當放大器輸入阻抗ri大小一定時(通常它不變化),耦合電容C1容量大,其容抗小,輸出信號Uo大,即在耦合電容C1上的信號損耗小。所以,要求耦合電容的容量要足夠大,這樣信號通過耦合電容時損耗才小。
2.幾點說明
關于阻容耦合電路還要說明以下幾個問題。
(1)當放大器的輸入阻抗比較大時,可以適當減小耦合電容的容量,這一點通過分壓電路的特性很容易理解。降低耦合電容C1的容量,對降低耦合電容的漏電電流有利,因為電容的容量愈大,其漏電電流就愈大,放大器的噪聲就愈大(耦合電容的漏電流就是電路噪聲),特別是輸入級放大器的輸入端耦合電容要盡可能小。
(2)耦合電容對低頻信號容抗比中頻和高頻信號的容抗要大,所以阻容耦合電路對低頻信號是不利的,當耦合電容的容量不夠大時,低頻信號首先受到衰減,說明阻容耦合電路的低頻特性不好。
(3)耦合電容具有隔直作用,所以采用阻容耦合的放大器不能放大直流信號,對頻率很低的交流信號耦合電容的容抗太大也不能有效放大。
(4)在不同工作頻率的放大器中,由于放大器所放大的信號頻率不同,對耦合電容的容量大小要求也不同。音頻放大器中,一般耦合電容的容量在1~10μF之間。為了降低電容漏電電流,愈是處于前級的耦合電容,其容量要求愈小。
(5)圖2-7所示是一種變形阻容耦合電路,即在耦合電容C1回路中串聯一只電阻R1,該電阻一般為2kΩ。這種變形阻容耦合電路在一些性能較好的音頻放大器中常見到。這一耦合電路的作用同普通阻容耦合電路基本一樣,只是電阻R1可以用來防止可能出現的高頻自激。


圖2-7變形阻容耦合電路
直接耦合電路工作原理分析與理解
在雙管直接耦合放大器中介紹了直接耦合電路。直接耦合電路的特點是前級放大器輸出端與后級放大器輸入端之間沒有耦合元器件。
直接耦合電路讓交流電流通過的同時,也可以讓直流電流通過,這是這種耦合電路的特點,所以直接耦合放大器可以用來放大直流信號,而且低頻特性好。
直接耦合電路的缺點是,由于直流電流也能通過,參加耦合的各級放大器直流電路相互牽制,這對電路故障修理不利。
變壓器耦合電路工作原理分析與理解
變壓器耦合電路的具體電路形式有多種。
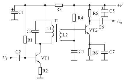
1.變壓器耦合電路之一
圖2-8所示是一種變壓器耦合電路。電路中,VT1和VT2構成兩級放大器;T1是一個耦合變壓器,L1是它的一次繞組,一次繞組有一個抽頭,L2是它的二次繞組,這一耦合變壓器T1只有一組二次繞組。


圖2-8變壓器耦合電路之一
關于這一變壓器耦合電路的工作原理主要說明下列幾點。
(1)VT1集電極信號電流流過T1一次繞組L1抽頭以下繞組,根據變壓器原理可知,T1二次繞組兩端便有輸出信號電壓,這一輸出信號電壓加到VT2基極回路。其信號電流回路是:二次繞組L2上端→VT2基極→VT2發射極→發射極旁路電容C7→地線→電容C4→二次繞組L2下端,通過二次繞組L2成回路,完成信號的傳輸。
(2)對于直流電流而言,由于T1一次繞組和二次繞組之間是絕緣的,這樣VT1直流電路與VT2所在的直流電路相互隔離,這一特性同阻容耦合電路相同。
(3)變壓器耦合電路的低頻特性不好,這是因為耦合變壓器的一次繞組是VT1集電極負載,由于繞組的感抗與頻率成正比,這樣當信號頻率低時感抗小,VT1集電極負載電阻小,電壓放大倍數較小(集電極負載電阻小時放大器電壓放大倍數小),顯然變壓器耦合電路的低頻特性不佳。另外,當信號的頻率高到一定程度時,由于耦合變壓器T1存在各種高頻的能量損耗,高頻信號受到損失,所以這種耦合電路的高頻特性也不好。
2.變壓器耦合電路之二
圖2-9所示是另一種變壓器耦合電路,這一電路與前面電路的不同點是:耦合變壓器T1二次繞組有一個中心抽頭,而中心抽頭通過電容C3交流接地,這樣二次繞組L2上端、下端的信號電壓相位相反。


圖2-9變壓器耦合電路之二
關于這一變壓器耦合電路的工作原理主要說明下列幾點。
(1)當二次繞組L2上端信號為正半周期間,L2繞組的下端信號為負半周期間;當L2上端信號為負半周期間,L2下端信號為正半周期間。
(2)由于這一耦合變壓器T1二次繞組L2有一個中心抽頭,這樣二次繞組能夠輸出大小相等、相位相反的兩個信號,即L2上端與抽頭之間繞組輸出一個信號加到VT2基極,L2抽頭與下端之間繞組輸出另一個相位相反的信號加到VT3基極。VT2和VT3基極上的交流信號電壓波形如圖2-9中所示。
(3)由于VT2和VT3都是NPN型三極管,加到VT2和VT3基極的信號電壓大小相等,相位相反。這樣在VT2基極為正半周信號而使VT2導通、放大時,VT3基極為負半周信號而使VT3截止;在VT2基極為負半周信號而使VT2截止時,VT3基極為正半周信號而使VT3導通、放大。
(4)VT2基極信號電流回路是:二次繞組L2上端→VT2基極→VT2發射極→地端→C3→二次繞組L2抽頭,通過L2抽頭以上繞組成回路。
(5)VT3基極信號電流回路是:二次繞組L2下端→VT3基極→VT3發射極→地端→C3→二次繞組L2抽頭,通過L2抽頭以下繞組成回路。
3.變壓器耦合電路之三
圖2-10所示是另一種變壓器耦合電路,這一電路與上一個電路的不同之處是:耦合變壓器有兩組獨立的二次繞組L2和L3,兩組繞組的匝數相等,這樣耦合變壓器也能輸出大小相等、相位可以相反的兩個信號。兩組二次繞組輸出的信號電壓分別加到VT2和VT3基極,兩管基極上的信號電壓波形如圖2-9中所示。
由電路中二次繞組L2和L3的同名端標記可知,當L2的上端信號為正半周期間,VT2導通、放大信號,此時L3的下端信號為負半周,使VT3截止。


圖2-10變壓器耦合電路之三
當信號變化到另一個半周時,L2的上端為負半周信號,L3的上端為正半周信號,VT3導通、放大。
電路分析小結
(1)分辨直接耦合電路、阻容耦合電路和變壓器耦合電路很簡單,當級間有電容連接時為阻容耦合電路,當級間有變壓器時為變壓器耦合電路,當級間沒有元器件時為直接耦合電路。
(2)能夠放大直流信號的放大器中,一定要采用直接耦合電路。當然直接耦合的放大器也能夠放大交流信號,許多交流放大器中就是采用直接耦合電路。
(3)采用阻容耦合或變壓器耦合的放大器,由于級間的直流電路是相互隔離的,所以修理起來比較方便。
(4)從頻率特性角度來講,直接耦合電路性能最好,但不方便修理。
(5)阻容耦合、變壓器耦合放大器的低頻特性欠佳,沒有直接耦合電路的低頻特性好。
烜芯微專業制造二極管,三極管,MOS管,橋堆等20年,工廠直銷省20%,4000家電路電器生產企業選用,專業的工程師幫您穩定好每一批產品,如果您有遇到什么需要幫助解決的,可以點擊右邊的工程師,或者點擊銷售經理給您精準的報價以及產品介紹
烜芯微專業制造二極管,三極管,MOS管,橋堆等20年,工廠直銷省20%,4000家電路電器生產企業選用,專業的工程師幫您穩定好每一批產品,如果您有遇到什么需要幫助解決的,可以點擊右邊的工程師,或者點擊銷售經理給您精準的報價以及產品介紹

