LM2596系列開關電壓調節器是降壓型電源管理單片集成電路,能夠輸出3A的驅動電流,同時具有很好的線性和負載調節特性。添加少量的外部元件就可以使用該電壓調節器。該器件內部集成有頻率補償和固定頻率發生器。開關頻率為150KHz,與低頻開關調節器相比較,可以使用更小規格的濾波元件。本文將介紹LM2596的應用電路。
1.3.3V,5V輸出電源電路圖
在進行整個控制系統設計時,如果電源系統過于復雜和冗余,不僅會對其他部分電路產生電磁干擾,而且經濟效益也不好,所以設計中所有芯片都選擇的是5 V、3.3 V或者1.8 V供電電壓。這樣,電源設計時只要用3片LM2596和一些電容、電感、二極管等就可以將24 V電壓直接轉化為所需電壓,電路設計不僅容易,也非常經濟,電源電路如圖1所示。具體使用時可以根據需要選擇LM2596-5V、LM2596-3.3V、LM2596-1.8V的芯片。要獲得+1.8 V和+5 V時用圖(a)的接法,要獲得+3.3 V時,用圖(b)的接法。

圖1 電源電路
2.典型應用電路

圖2 典型應用電路圖
3.應用電路
LM2596支持輸出可調,在輸入40V時,輸出可連續調整為0~37V,典型應用電路如下圖:

圖3 應用電路
注:反饋線要遠離電感,電路中的粗線一定要短,最好用地線屏蔽,調節輸出電壓的電阻R1,R2要靠近LM2596的4腳。
4.可調限流穩壓器
LM2596常規應用,不具備電流限制功能,在一些電子設計和輔助設備上,對限流功能有一定的需求,雖然廠家給出的標準應用電路無法完成這一功能,我們可以通過適當的添加功能電路,讓它實現限流功能。如圖4所示:

圖4 LM2596構成的可調限流穩壓器
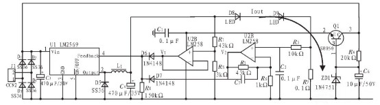
5.LED開關恒流穩壓電源
圖5所示是基于LM2596-ADJ 的LED開關恒流穩壓電源。

圖5 基于LM2596-ADJ 的LED 開關恒流穩壓電源
該電路含有電壓控制環路和電流控制環路兩個環路。電壓控制環路由運算放大器U2A、R1、R5組成,用于控制電源的最大輸出電壓。
電話:18923864027(同微信)
QQ:709211280
〈烜芯微/XXW〉專業制造二極管,三極管,MOS管,橋堆等,20年,工廠直銷省20%,上萬家電路電器生產企業選用,專業的工程師幫您穩定好每一批產品,如果您有遇到什么需要幫助解決的,可以直接聯系下方的聯系號碼或加QQ/微信,由我們的銷售經理給您精準的報價以及產品介紹

