溝槽式場效應管
溝槽式場效應管TrenchMOSFET是現在比較常用的金屬-氧化物半導體場效應晶體管。因其具有低導通電阻、低柵漏電荷密度的特點,所以功率損耗低、開關速度快。且由于TrenchMOSFET為垂直結構器件,因此可進一步提高其溝道密度,減少芯片尺寸,使功率場效應管的SMD微型封裝成為現實。
在手機電池保護電路中,常用到兩個場效應管共漏極使用的MOSFET,因為在手機保護電路中,即要進行過充檢測也要進行過放檢測。
該類MOSFET內部電路結構如下圖虛線內所示:

打開該類MOS的規格書我們會看到許多如下參數:

那么如何測試這些參數呢,下面請看測試手法!
注意:
下文中加粗字體為變量,需根據MOS規格書來確定實際參數。
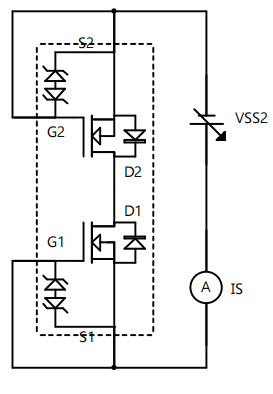
1、VSSS耐壓
按下圖連接測試電路,設置VGS=0V,VSS1從0V以0.1V步增,逐漸增加電壓至IS=1mA,且MOS無損毀,記錄VSS1的電壓。

按下圖連接測試電路,設置VGS=0V,VSS2從0V以0.1V步增,瞬間增加電壓至IS=1mA,且MOS無損毀,記錄VSS2的電壓。

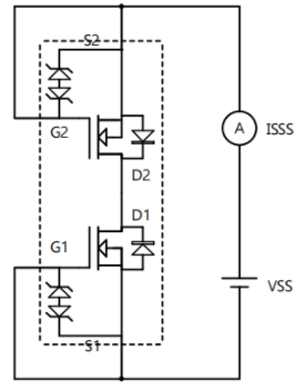
2、ISSS電流
按下圖連接測試電路,設置VSS=12V,VGS=0V,記錄下ISSS。

3、VGS(th)開啟電壓
按下圖連接測試電路,設置VSS=6V,以0.1V同步增加VGS1的電壓,直至ISS=1mA,記錄下此時VGS1的電壓,同理測試另一FET的VGS2。

4、IGSS柵極漏電流
按下圖連接測試電路,設置VSS=0V,VGS1=±8V,記錄下IGSS1,同理測試另一FET的IGSS2。

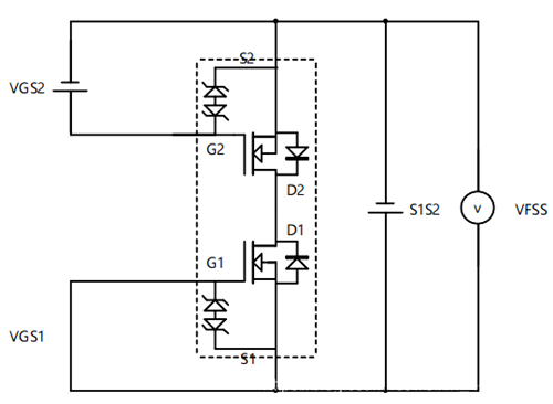
5、RSS(on)內阻
按下圖連接測試電路,設置IS=6A,分別測試VGS等于4.5V、4.0V、3.8V、3.1V、2.5V時,S1與S2兩端的電壓VS1S2,RSS(on)=VS1S2/6A。

6、VFSS二極管導通電壓
按下圖連接測試電路,設置VGS2=4.5V,VGS1=0V,VS1S2=4.5V,IS1S2=6A,記錄下測試的VFSS1。
同理,設置VGS1=4.5V,VGS2=0V,VS2S1=4.5V,IS2S1=6A,記錄下測試的VFSS2。

〈烜芯微/XXW〉專業制造二極管,三極管,MOS管,橋堆等,20年,工廠直銷省20%,上萬家電路電器生產企業選用,專業的工程師幫您穩定好每一批產品,如果您有遇到什么需要幫助解決的,可以直接聯系下方的聯系號碼或加QQ/微信,由我們的銷售經理給您精準的報價以及產品介紹
聯系號碼:18923864027(同微信)
QQ:709211280

